Gas Booster Unit LEUG06
Send a request
LEUG06
Gas Booster Unit LEUG06
Features:
- The frame is made of stainless steel square tube, which is light and firm.
- Driven by compressed air, the output pressure can be smoothly adjusted by the driving air pressure through the regulator.
- Simple operation, no heating, spark hazard.
- Hold static pressure without generating heat or consuming power.
- Optional accessories, such as pressure switch, casters, to be pressurized air inlet pressure regulator.
Description:
- The drive air pressure range is 15psi~ 1 50psi, and the pressurization range is 1,050psi~39,000psi (the flow rate depends on different air pressure, which can be selected according to the type table behind).
- Suitable for a variety of application scenarios, gas injection, respirator pressurization, test system pressure supply, leakage test, etc.
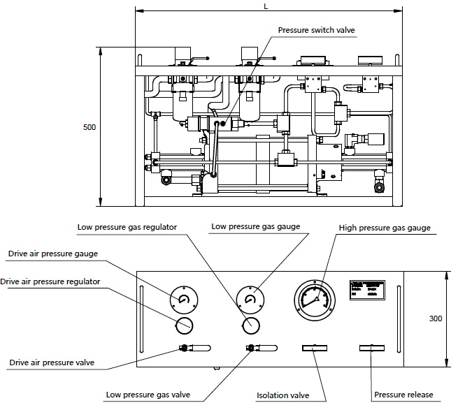
Construction & Dimension Gas Booster Unit LEUG06:

Construction:

* The size is shown in the type parameter selection table.
Ordering Code:

Type & Parameters:
Code *Max.pressure (psi) Min.low pressure gas/pressure(psi) Dis. flow rate(ml) Low pressure gas inlet High pressure gas outlet Drive air inlet Diemension L(mm) LEUG06-1S-7 1050 25 216 3/8NPT 3/8NPT 3/4NPT 600 LEUG06-1S-15 2250 50 102 1/4 HF 1/4 HF 3/4NPT 600 LEUG06-1S-30 5400 100 51 1/4 HF 1/4 HF 3/4NPT 600 LEUG06-1S-50 7500 100 32 1/4 HF 1/4 HF 3/4NPT 600 LEUG06-1S-75 11250 250 20 1/4 HF 1/4 HF 3/4NPT 600 LEUG06-2S-60 9000 200 51 1/4 HF 1/4 HF 3/4NPT 700 LEUG06-2S-100 12000 100 32 1/4 HF 1/4 HF 3/4NPT 700 LEUG06-2S-150 20000 250 20 1/4 HF 1/4 HF 3/4NPT 700 LEUG06-1D-4 1250 15 316 3/8NPT 3/8NPT 3/4NPT 700 LEUG06-1D-7 2500 25 433 3/8NPT 3/8NPT 3/4NPT 700 LEUG06-1D-15 5000 50 203 1/4 HF 1/4 HF 3/4NPT 700 LEUG06-1D-30 9000 100 102 1/4 HF 1/4 HF 3/4NPT 700 LEUG06-1D-50 12000 100 64 1/4 HF 1/4 HF 3/4NPT 700 LEUG06-1D-75 15000 250 39 1/4 HF 1/4 HF 3/4NPT 700 LEUG06-2D-14 3000 25 405 1/4 HF 1/4 HF 3/4NPT 840 LEUG06-2D-30 5000 50 203 1/4 HF 1/4 HF 3/4NPT 840 LEUG06-2D-60 9000 200 102 1/4 HF 1/4 HF 3/4NPT 840 LEUG06-2D-100 15000 100 64 1/4 HF 1/4 HF 3/4NPT 840 LEUG06-2D-150 25000 250 39 1/4 HF 1/4 HF 3/4NPT 840 LEUG06-1T-4 1250 4 164 3/8NPT 3/8NPT 3/4NPT 700 LEUG06-1T-7/15 5000 25 216 3/8NPT 1/4 HF 3/4NPT 700 LEUG06-1T-7/30 9000 25 216 3/8NPT 1/4 HF 3/4NPT 700 LEUG06-1T-15/30 9000 50 102 1/4 HF 1/4 HF 3/4NPT 700 LEUG06-1T-15/50 15000 50 102 1/4 HF 1/4 HF 3/4NPT 700 LEUG06-1T-15/75 15000 100 102 1/4 HF 1/4 HF 3/4NPT 700 LEUG06-1T-30/50 15000 100 51 1/4 HF 1/4 HF 3/4NPT 700 LEUG06-1T-30/75 15000 100 51 1/4 HF 1/4 HF 3/4NPT 700 LEUG06-2T-14/30 5000 25 216 3/8NPT 1/4 HF 3/4NPT 840 LEUG06-2T-14/60 9000 25 216 1/4 HF 1/4 HF 3/4NPT 840 LEUG06-2T-30/60 9000 100 102 1/4 HF 1/4 HF 3/4NPT 840 LEUG06-2T-30/100 15000 100 102 1/4 HF 1/4 HF 3/4NPT 840 LEUG06-2T-30/150 15000 100 102 1/4 HF 1/4 HF 3/4NPT 840 LEUG06-2T-60/100 15000 100 39 1/4 HF 1/4 HF 3/4NPT 840 LEUG06-2T-60/150 20000 100 39 1/4 HF 1/4 HF 3/4NPT 840 - 1psi=0.0689bar,1l/min=0.264gallon/min;
- Ordering codes listed are standard. Other sizes, materials and types are available upon request.

