Medium Pressure Needle Valves Tubing Connection 3-Way MPH Series 30,000 psig
Send a request
MPH
Medium Pressure Needle Valves Tubing Connection 3-Way MPH Series 30,000 psig
Technical Data:


Standard Materials of Construction

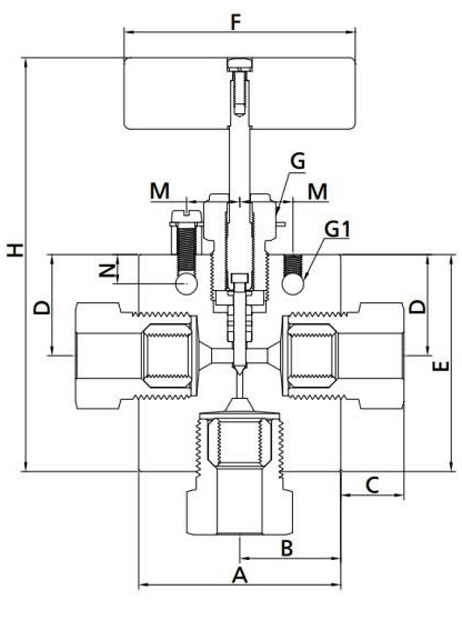
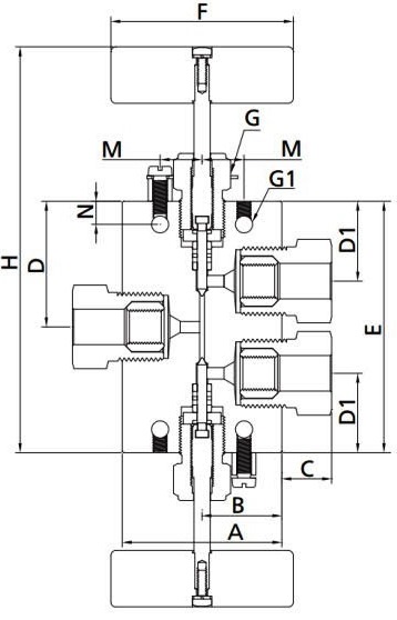
Item Component Material 1 Handle SS or Aluminum 2 Handel Screw Stainless Steel 3 Upper Stem SS316/A479 4 Packing Gland C63000/B150 5 Locking Screw Stainless Steel 6 Locking Plate SS04/A240 7 Lower Stem 17-4PH SS/A564 8 Packing Ring C63000/B150 9 Packing PTFE/RPTFE 10 Packing Washer 17-4PH SS/A564 11 Body SS316/A479 12 Collar SS316/A479 13 Gland SS316/A479 Ordering Information and Dimensions (Tubing Connection, 3-Way)
2 on pressure 1 on pressure 2 stem manifold 


2 On Pressure Part NO. Tube Size Orifice In.(mm) Dimension in.(mm) A B C D D1 E F G G1 H M N ThK SS-UPN-4FT-4 1/4 0.063 (1.59) 2.00 (50.8) 1.00 (25.4) 0.47 (11.9) 1.50 (38.1) 1.12 (28.5) 2.12 (53.9) 3.00 (76.2) 1.00 (25.4) 0.22 (5.6) 4.81 (122) 0.69 (17.5) 0.38 (9.7) 1.00 (25.4) SS-UPN-6FT-4 3/8 0.063 (1.59) 2.00 (50.8) 1.00 (25.4) 0.61 (15.6) 1.50 (38.1) 1.12 (28.5) 2.50 (63.5) 3.00 (76.2) 1.00 (25.4) 0.22 (5.6) 5.19 (132) 0.69 (17.5) 0.38 (9.7) 1.00 (25.4) SS-UPN-9FT-4 9/16 0.078 (1.98) 2.62 (66.6) 1.31 (33.3) 0.95 (24.1) 1.56 (39.6) 1.12 (28.5) 2.88 (73.2) 3.00 (76.2) 1.00 (25.4) 0.28 (7.1) 5.57 (142) 0.69 (17.5) 0.38 (9.7) 1.50 (38.1) 1 On Pressure Part NO. Tube Size Orifice In.(mm) Dimension in.(mm) A B C D D1 E F G G1 H M N ThK SS-UPN-4FT-5 1/4 0.063 (1.59) 2.00 (50.8) 1.00 (25.4) 0.47 (11.9) 1.12 (28.5) / 2.00 (50.8) 3.00 (76.2) 1.00 (25.4) 0.22 (5.6) 6.08 (155) 0.69 (17.5) 0.38 (9.7) 1.00 (25.4) SS-UPN-6FT-5 3/8 0.063 (1.59) 2.00 (50.8) 1.00 (25.4) 0.61 (15.6) 1.12 (28.5) / 2.25 (57.2) 3.00 (76.2) 1.00 (25.4) 0.22 (5.6) 6.39 (162) 0.69 (17.5) 0.38 (9.7) 1.00 (25.4) SS-UPN-9FT-5 9/16 0.078 (1.98) 2.62 (66.6) 1.31 (33.3) 0.95 (24.1) 1.12 (28.5) / 2.44 (62.0) 3.00 (76.2) 1.00 (25.4) 0.28 (7.1) 6.76 (176) 0.69 (17.5) 0.38 (9.7) 1.50 (38.1) 2 Stem Manifold Part NO. Tube Size Orifice In.(mm) Dimension in.(mm) A B C D D1 E F G G1 H M N ThK SS-UPN-4FT-6 1/4 0.063 (1.59) 2.00 (50.8) 1.00 (25.4) 0.47 (11.9) 1.53 (38.9) 1.12 (28.5) 3.06 (77.7) 3.00 (76.2) 1.00 (25.4) 0.22 (5.6) 5.75 (146) 0.69 (17.5) 0.38 (9.7) 1.00 (25.4) SS-UPN-6FT-6 3/8 0.063 (1.59) 2.00 (50.8) 1.00 (25.4) 0.61 (15.6) 1.62 (41.2) 1.12 (28.5) 3.25 (82.6) 3.00 (76.2) 1.00 (25.4) 0.22 (5.6) 5.94 (151) 0.69 (17.5) 0.38 (9.7) 1.00 (25.4) SS-UPN-9FT-6 9/16 0.078 (1.98) 2.62 (66.6) 1.31 (33.3) 0.95 (24.1) 1.88 (47.8) 1.12 (28.5) 3.75 (95.3) 3.00 (76.2) 1.00 (25.4) 0.28 (7.1) 6.44 (164) 0.69 (17.5) 0.38 (9.7) 1.50 (38.1) Note:
- G is the drill dimension of packing gland mounting hole
- G1 is the dimension of bracket mounting hole.
- Panel mounting drill size: 0.25" all valves.
- H is the dimension of stem in closed position.
- All dimensions for reference only and subject to change.
- Working Pressure: 30,000 psig (2068 bar)
- Working Temperature Range: -100°F~600°F (-73°C~316°C)
- Tubing sizes: 1/4”, 3/8” and 9/16”
- High tensile 316 Stainless Steel for valve body and 17-4PH Stainless Steel for lower stem
- Selected materials of packing gland and upper stem for optimum thread cycle life and reduced handle torque
- Metal-to-metal seating achieves ideal shutoff, longer stem/seat service lifetime for abrasive flow, excellent corrosion resistance and greater durability for repeated on/off cycles
- Non-rotating stem and bar stock body design
- Easy to assemble and replace packing
- Packing located under stem threads
- Reliable locking device for packing gland
- Options for Vee or Regulating stem tips
Flow Data at 100℉(38℃) Pressure vs. Temperature Curve Data 




