Booster LEB06 Series Single Drive/Double Acting
Send a request
LEB06
Booster LEB06 Series Single Drive/Double Acting
Features:
- Higher efficiency than single-acting boosters.
- Max. air drive pressure Pa=150 psig(10.3 bar).
- Less restriction on gas supply pressure Ps.
- Choice of seal materials.
- Pressure to 15000 psig(1034 bar).
- No lubricator required.
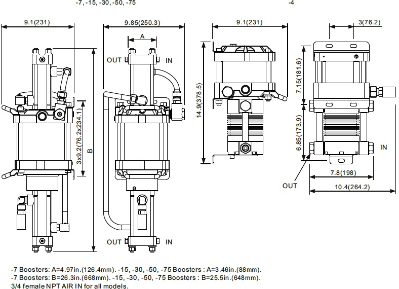
Dimensions (in.(mm):

Explain:
- All model code listed are standard.
- Oxygen gas service add “-O” after the model codes.
- Hydrogen gas service add “-H” after the model codes.
- Replaces all Buna static and dynamic seals in the drive section of the gas booster add“-V” after the model codes.
- With external pilot port on air drive section add“-X” after the model codes.
- With external pilot port on air drive section& pressure switch add “-XS” after the model codes.
- Other sizes, materials and types are available upon request.
Performance and Specification Booster LEB06 Series Single Drive/Double Acting:
Booster Model Code Max.Rated Gas Supply Min.Rated Gas Supply Max.Rated Gas Outlet (psig) - Inert Gas Max.Rated Gas Outlet (psig) - Hydrogen Max.Rated Gas Outlet (psig) - Oxygen Actual ML Per Cycle Outlet Stall Press. Formula Compression Ratio Max. Inlet & Outlet Gas Ports LEB06-1D-4 1250psig ATM 1250 1250 1250 316ML 4 Pa+Ps 10:1 3/8"FNPT LEB06-1D-7 2500psig 25psig 2500 2500 2500 432ML 7 Pa+Ps 20:1 3/8"FNPT LEB06-1D-15 5000psig 50psig 5000 5000 5000 203ML 15 Pa+Ps 20:1 1/4"HF LEB06-1D-30 9000psig 100psig 9000 9000 5000 102ML 30 Pa+Ps 25:1 1/4"HF LEB06-1D-50 15000psig 100psig 15000 15000 5000 64ML 50 Pa+Ps 25:1 1/4"HF LEB06-1D-75 15000psig 250psig 15000 15000 5000 39ML 75 Pa+Ps 25:1 1/4"HF * HF means female high pressure connection.
Performance Curves — air drive source of approximately 90 psig:
- GAS OUTLET PRESSURE - PSI.
- GAS OUTLET FLOW - Nm³/min.



